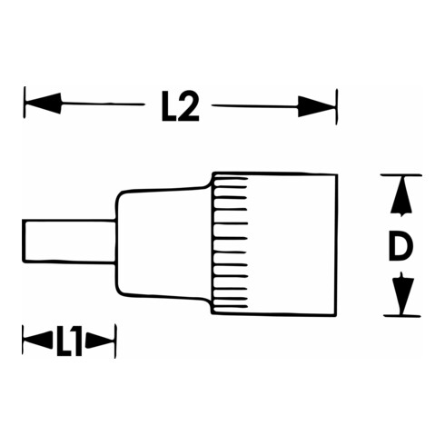
VIGOR 3/8 Zoll Innenvielzahn-Schraubendreher-Einsatz 48 mm
Standardlieferung:
bis spätestens
Do., 22. Jan.
Hersteller & Informationen
Kunden interessiert auch
Produktbeschreibung
Bitte Variante wählen


