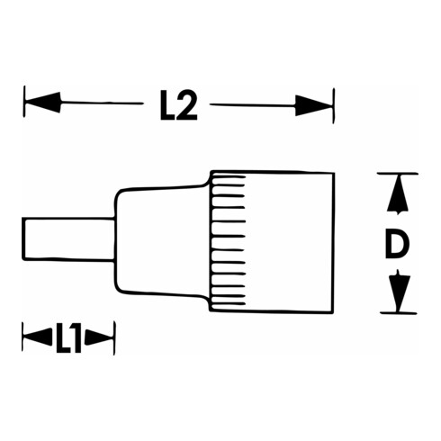
Gedore Keilprofil RIBE Bit, L38 mm, 5/16" Antrieb
Standardlieferung:
bis spätestens
Do., 15. Jan.
Hersteller & Informationen
Kunden interessiert auch
Produktbeschreibung
Bitte Variante wählen


