8,19 €
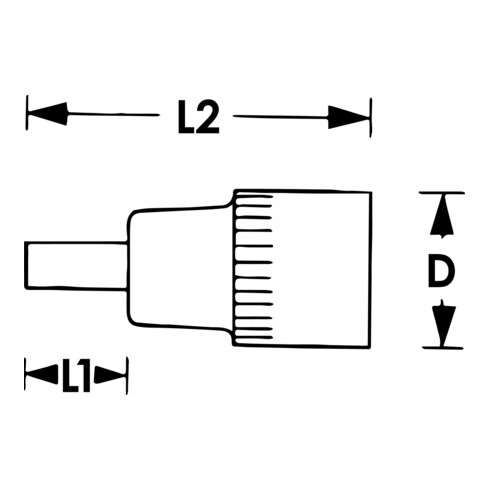
inkl. MwSt.VIGOR T+ Schraubendreher-Einsatz, V7055-IPR50, 1/2 Zoll (12,5 mm) Vierkant, Innen 5-Stern Profil mit Zapfen, SW T50+H
Standardlieferung:
bis spätestens
Di., 20. Jan.
Hersteller & Informationen
- Antrieb: 1/2 Zoll (12,5 mm) Vierkant
- Abtrieb: Innen 5-Stern Profil mit Zapfen
- Schlüsselweite: | T50+H


