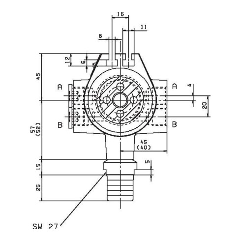
Kurzbeschreibung: Vollspannzylinder ohne Durchgang für Betätigungsdrücke von 8-80 bar. --- Technische Merkmale: Hubkontrolle durch induktiven Näherungsschalter oder linearem Wegmesssystem F90 maschinenseitig befestigt(Hubkontrollsystem nicht im Lieferumfang enthalten);Durchgangsbohrung für Mediendurchführung;Zur Betätigung empfehlen wir das Hydrauliköl H-LP 32, DIN 51525 (32 Centistokes bei 40° Celsius);Zwischen Pumpe und Steuerventil ist eine Filtereinheit (10 µm) einzusetzen;OVS = Öl, Vollspannzylinder, mit Sicherheitsventil --- Einsatzbereiche: Hydraulische Betätigung von Kraftspannfuttern (Voll- oder Teilhohlspannung). --- Vorteile: Kompakte Bauweise und geringes Massenträgheitsmoment für geringe Belastung der Maschinenspindel;Betriebssicherheit durch Sicherheitseinrichtung auch bei Druckabfall während der Spindelrotation gewährleistet;Flexibler Einsatz durch mögliche horizontale oder vertikale Einbaulage --- Weitere Infos: Hydraulische Vollspannzylinder, Größe 200, OVS Grundmodell, mit Sicherheitseinrichtung, bis 80 bar - Stahl-Ausführung für hohe Drehzahlen, Befestigung von hinten, mit zentralem Durchgang
EAN/GTIN: 4019208232577