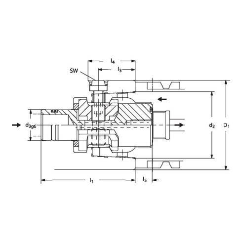
Kurzbeschreibung: HSK-C für Werkzeugschäfte A/C/T. --- Technische Merkmale: Zentrale Kühlmittelzuführung (außer Größe 25) --- Einsatzbereiche: Manuelle Spannung von HSK-Werkzeugen. --- Vorteile: Überzeugend einfache Konstruktion für hohe Zuverlässigkeit und einfache Montage;Sicheres Ausstoßen der Werkzeuge beim Lösen durch den Führungsbolzen;Keine negative Beeinflussung des HSK-Kegels, da die Betätigungsschraube im Bereich des Mitnehmers liegt --- Weitere Infos: Einbau-Spannsatz HSK-C, Nenngröße 125, für Werkzeughohlschäfte DIN 69893 HSK-A und -C - Spindelkegelaufnahme mit internen Mitnehmern
EAN/GTIN: 4019208207483