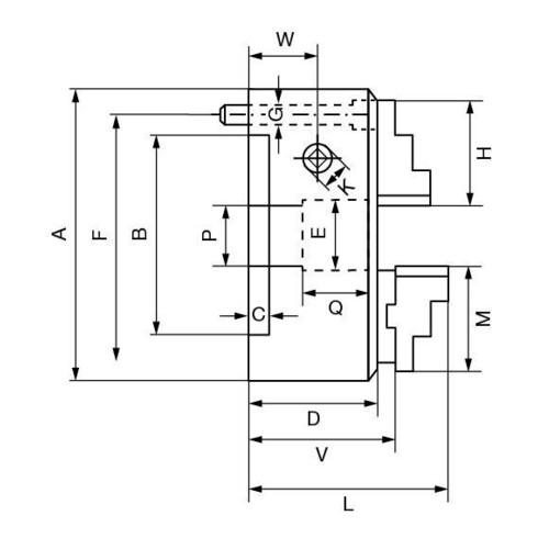
Kurzbeschreibung: Das DURO-M ist ein manuell betätigtes Drehfutter mit Planspirale und Durchgang. Es wird überwiegend auf konventionellen Drehmaschinen zur spanenden Bearbeitung von Drehteilen eingesetzt. --- Technische Merkmale: Futterkörper (sowie alle weiteren Bauteile) aus Stahl;Zentrisch spannend über Planspirale;Planspirale im Gesenk geschmiedet und hochvergütet, Gewindeflanken beidseitig geschliffen;Backen im Futter auf Rundlauf ausgeschliffen;Werkseitig ermittelter Nulltrieb als Genauigkeitstrieb;Die max. zulässige Drehzahl ist so festgelegt, daß bei max. Spannkraft und bei Verwendung der schwersten zugehörigen Spannbacken noch 1/3 der Spannkraft als Restspannkraft zur Verfügung steht. Die Spannbacken dürfen dabei über den Futter-Außendurchmesser nicht überstehen. Die Drehfutter müssen in einwandfreiem Zustand sein. Im übrigen gelten die Bestimmungen nach DIN 6386 Teil 1.;Spannkraft nach DIN6350: Die Spannkraft ist die Summe aller auf das Werkstück radial im Stillstand wirkenden Backenkräfte. Die angegebenen Spannkräfte sind Richtwerte. Sie gelten bei Futtern in einwandrreiem Zustand, die mit Röhm-Fett F80 abgeschmiert sind.;Lieferumfang: Futter, Futterschlüssel,Backen --- Einsatzbereiche: Konventionell spannende, horizontale und vertikale Drehmaschinen sowie Fräsmaschinen, Rundtische und Teilapparate. Überwiegend in der Einzel- oder Kleinserienfertigung oder Reparaturwerkstatt.;Spannen von rotationssymmetrischen Teilen für die Dreh- und Fräsbearbeitung. --- Vorteile: Hohe Rundlaufgenauigkeit bis 0,02;Backen grundsätzlich brüniert;Minimale Störkontur;Hohe Kraftübersetzung;Abtropfkante für Kühlmittel --- Weitere Infos: Das Duro-M Ø140 ist ein manuell betätigtes 3-Backen-Drehfutter mit Planspirale und Durchgang Ø40, Bohr- und Drehbacken, Zylindrischer Aufnahme (DIN 6350, Form A), ZA 105. Es wird überwiegend auf konventionellen Drehmaschinen zur spanenden Bearbeitung von Drehteilen eingesetzt.
EAN/GTIN: 4019208524405