38,48 €
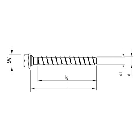
inkl. MwSt.Heco MULTI-MONTI-plus SSK 16,0 x 130 Sechskantkopf mit Scheibe + Konus A2K
Standardlieferung:
bis spätestens
Mo., 19. Jan.
Hersteller & Informationen
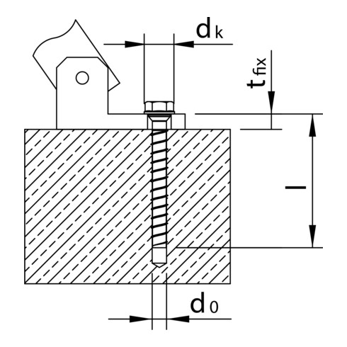
- Der innovative Schraubnanker für Befestigungen von Richtstützen im jungen Beton
- Der Schraubanker MULTI-MONTI®-plus (MMS-plus) ist eine Weiterentwicklung der Betonschraube MULTI-MONTI®. Er wird ohne Dübel direkt in ein vorgebohrtes Loch geschraubt und ist sofort belastbar. Die verstärkte Verzahnung an der Schraubenspitze schneidet beim Einschrauben ein Innengewinde in den Baustoff. Dadurch entsteht ein Formschluss, über den schließlich die Verankerung erfolgt. Dies vereinfacht nicht nur den Montagevorgang, sondern gewährleistet dem Handwerker ein hohes Maß an Anwendungssicherheit. Die Betonschraube MULTI-MONTI®-plus lässt sich randnah und ohne Drehmomentschlüssel verarbeiten, ist vollständig demontierbar und nach Prüfung wiederverwendbar.
- Temporäre Befestigung von Baustelleneinrichtungen wie z.B. Baustützen, Schrägstützen, Absturzsicherungen, Gerüste
- Demontierbar und wiederverwendbar unter Verwendung einer Prüfhülse
- Zugelassen für die Verwendung in jungem Beton ab einer Betondruckfestigkeit fc,cube>10 N/mm²
- Lochdurchmesser von 17 – 23 mm in der Grundplatte mit einer Schraube abdeckbar



