119,99 €
inkl. MwSt.DEHN ÜS-Ableiter DEHNguard DG M TN 275
Standardlieferung:
bis spätestens
Di., 27. Jan.
Hersteller & Informationen
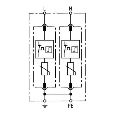
- Mehrpoliger Überspannungsableiter DEHNguard M, Typ 2 nach EN 61643-11, bestehend aus Basisteil und gesteckten Schutzmodulen
- Hohe Gerätesicherheit durch Ableiterüberwachung Thermo-Dynamik-Control
- Zum Schutz von Niederspannungs-Verbraucheranlagen vor Überspannungen
- Zum Einsatz im Blitz-Schutzzonen-Konzept an den Schnittstellen 0B¿1 und höher.


