23,99 €
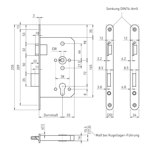
inkl. MwSt.BMH Zimmertür-Einsteckschloss 450,WC78/8,D55,F20
Standardlieferung:
bis spätestens
Mo., 2. Feb.
Hersteller & Informationen
Beyer & Müller
Art.-Nr.: 57682299
Hersteller-Nr.:
0450.000002
- Nach DIN 18251, Klasse 4
- Für gefälzte Türen
- PZW 2-tourig, Bad/WC 1-tourig
- Falle und Riegel, Stahl vernicket
- Nuss: 8 mm, Feder-Klemmnuss
- Stulp abgerundet, mit Ölloch, Edelstahl


